1
/
of
5
PHS 24" x 24" High Security Access Door, 10 Gauge Steel w/ Mortise deadlock & Cylinder
PHS 24" x 24" High Security Access Door, 10 Gauge Steel w/ Mortise deadlock & Cylinder
SKU: SKU:AP-PHS-40C-2424
Availability : Usually ships in 2-Weeks After Order
Regular price
$973.50
Regular price
Sale price
$973.50
Unit price
/
per
Shipping calculated at checkout.
Lock:: Mortise Deadlock w/ Keyed Cylinder Included
Finish: White powder coat primer
Couldn't load pickup availability
Share





PHS 24" x 24" High Security Access Door, 10 Gauge Steel w/ Mortise deadlock & Cylinder Information
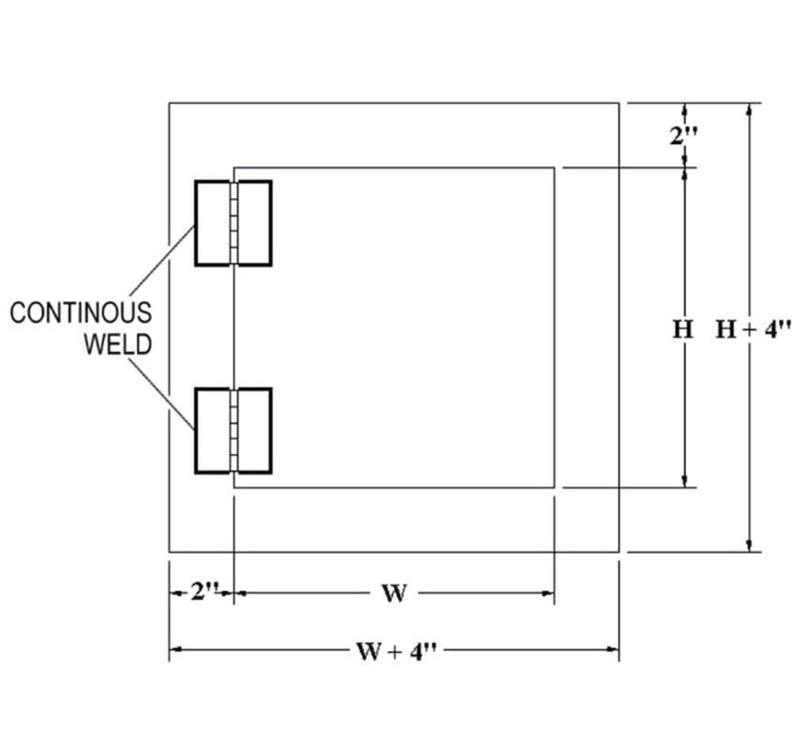
PHS High Security Flush Steel Access Door with Exposed Flange: 24" x 24"
Equipped with a heavy duty butt hinge and a cylinder mortise deadbolt lock, this access door is designed for maximum security. Designed with a hinges welded in-lace and a mortse desadbolt lock with a keyed mortise cylinder factory installed.
Details of the PHS High Security Steel Access Door:
- Installation: Walls and ceilings
- Material: 10 gauge cold rolled steel for the door and hot-rolled stamped steel frame with a 2" x 2" x 1/16" angle
- Locking mechanism: Mortise deadbolt lock accepts cylinders of 1 5/32" in diameter
- Frame: 2" in depth, made of hot-rolled and stamped steel
- Hinge: 3" X 3" heavy duty butt hinge, 13 gauge cold rolled steel
- Flange: 2" exposed flange, made of hot-rolled and stamped steel
- Rough Opening Requried: Door sizes + ¼ " or + 6mm
- Finish: Powder Coat Primed White
- Special Sizes: Other sizes available upon request
- Packaged: Individually boxed